Description
A DC ammeter shunt converts electric current into a measurable 75 mV voltage drop for precise current monitoring.
This fixed-type 50A DC ammeter shunt is ideal for energy meters, power analyzers, and DC monitoring systems where stable and accurate current measurement is essential.
Because the DC ammeter shunt provides a consistent low-resistance path, it enables reliable current sensing under continuous operation.
Key Features
High Accuracy (75mV output at 50A) – Suitable for precise current detection circuits.
Fixed Type Design – Compact, easy to mount in energy metering systems.
Pure Copper Busbar Construction – Ensures excellent conductivity and minimal heat rise.
Stable Voltage Drop – Provides reliable readings under continuous operation.
Custom Current Ratings – From 10A to 1000A, available upon request for industrial meters.
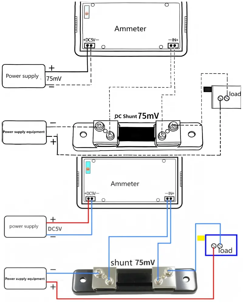
Parameter Specification Remarks Rated Current 50A Customizable Rated Voltage Drop 75mV Standard for most meters Material Pure Copper + Manganin Alloy High stability Accuracy ±0.5% – ±0.25% Depending on range Mounting Type Fixed / Panel Mount For industrial setups Operating Temperature -40°C ~ +120°C Stable in harsh environments DC ammeter shunt of Wiring diagram analysis
If you need higher-current versions, check our high-current bolt-on shunt resistors here:
https://ohmresistor.com/product/high-current-shunt-resistor/To understand how shunts convert current into voltage,- you can refer to the classical explanation of Ohm’s Law here:
https://www.electronics-tutorials.ws/dccircuits/dcp_2.html Precautions
Do not touch the primary circuit conductors or the connection points of the shunt while in operation to avoid electric shock.
Do not draw any signal or take samples from the secondary circuit.
This shunt is designed for DC measurement circuits with a rated insulation barrier voltage of 275 V.
When used together with a 75 mV current-limited moving-coil (magnetoelectric) ammeter, it effectively extends the ammeter’s current measurement range.Typical Applications
Smart Energy Meters (Single & Three Phase)
Industrial DC Monitoring Systems
Power Distribution Panels
Laboratory Current Calibration Instruments
Battery Testing and Power Conversion Equipment






